Connexion
Espace pro
À propos
Boutique
Contact
Espace pro
Connexion
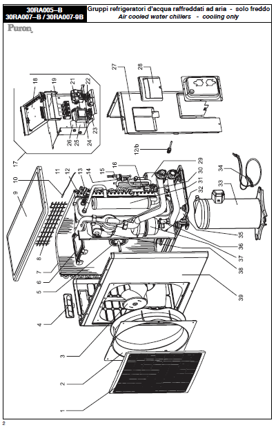
transformateur
Ref: 0351908X04
Non disponible
Demande de dispo
Cliquez ici pour voir la référence de remplacement
Machine
30RA005-7B
30RA007-7B
30RA007-9B
30RA009-9B
30RA011-9B
30RA013-9B
30RA015-9B
30RH005-7B
30RH007-7B
30RH007-9B
30RH009-9B
30RH011-7B
30RH011-9B
30RH013-9B
30RHX006
30RHX008
30RHX011-7
30RHX011-9
30RHX015
Voir toutes les pièces de 30RA005-7B
Réinitialiser
Pièces climatisations CARRIER
×
Ajouter au panier